Занятный у британских «Чифтенов» был прибор
Вместо введения
Как известно, датчики обнаружения лазерного излучения на танках и другой бронетехнике — штуковины безусловно полезные. И особых пояснений в контексте необходимости их наличия не нужно, поскольку эти устройства своевременно сигнализируют экипажу о том, что его машину кто-то «подсвечивает» лазерным дальномером какой-нибудь танковой пушки или целеуказателем для ракет и корректируемых боеприпасов.
Это, в свою очередь, позволяет предпринять какие-то действия для защиты: поставить аэрозольную завесу, обнаружить противника по направлению лазерного луча и так далее. Так что в бою данные изделия будут явно не лишними — вполне и жизнь спасти могут, и врага уничтожить. Но это больше относится к современности, тогда как раньше немалую пользу могли принести датчики несколько иного порядка.
Здесь стоит вспомнить, что тепловизоры, обеспечивающие возможность ведения боевых действий в ночных условиях, на танках и прочей технике появились сравнительно недавно. До них единственным средством, позволявшим «видеть» в ночи, были инфракрасные прицелы/приборы наблюдения на электронно-оптических преобразователях, превращавших невидимый глазу инфракрасный свет в видимое изображение на люминофорном экране.
Большая часть из них, исключая преобразователи поздних поколений, требовала активной подсветки. Именно поэтому одной из характерных черт многих танков середины и второй половины ХХ века стали мощные инфракрасные (ИК) прожекторы на башнях, разрывающие ночную тьму своим невидимым лучом буквально на километры и подсвечивающие цель.
Детектор инфракрасного излучения
Если говорить в целом, то включенный инфракрасный прожектор даже большой мощности в ночи увидеть практически невозможно. Однако на самом деле он может стать весомым демаскирующим фактором даже без применения какого-либо оборудования — если луч инфракрасного света попадёт во входное окно вражеского ночного прицела, противник сразу поймёт, что его обнаружили.
А ещё можно сделать детектор для обнаружения ИК-излучения, что британцы и продемонстрировали на своих «Чифтенах». Один из них — и сам танк модификации Мк.5Р, и детектор — попал в руки советских исследователей в ходе Ирано-Иракской войны.
Детектор, носивший индекс RI-1, состоял из трёх основных компонентов.
1 — гибкая штанга с фотокатодами, 2 — индикаторный блок, 3 — блок обработки сигналов
Первый — это гибкая штанга, которая монтировалась позади командирской башенки «Чифтена» и имела специальное «посадочное» гнездо с подпружиненной крышкой, куда она убиралась, если в использовании детектора не было нужды (днём, например). На самой штанге установлено три фотоприёмника на кремниевых фотодиодах. Каждый фотоприёмник имеет сектор «обзора» в 120 градусов, то есть в сумме получается 360 градусов.
Остальные два — это индикаторный блок с зуммером (подаёт звуковой сигнал при обнаружении ИК-излучения) и сигнальной лампой, установленный на рабочем месте заряжающего, а также блок обработки сигналов от фотоприёмников, установленный на рабочем месте командира танка.
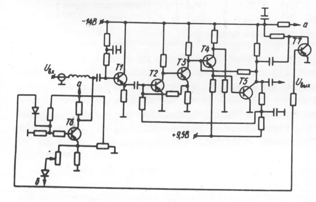
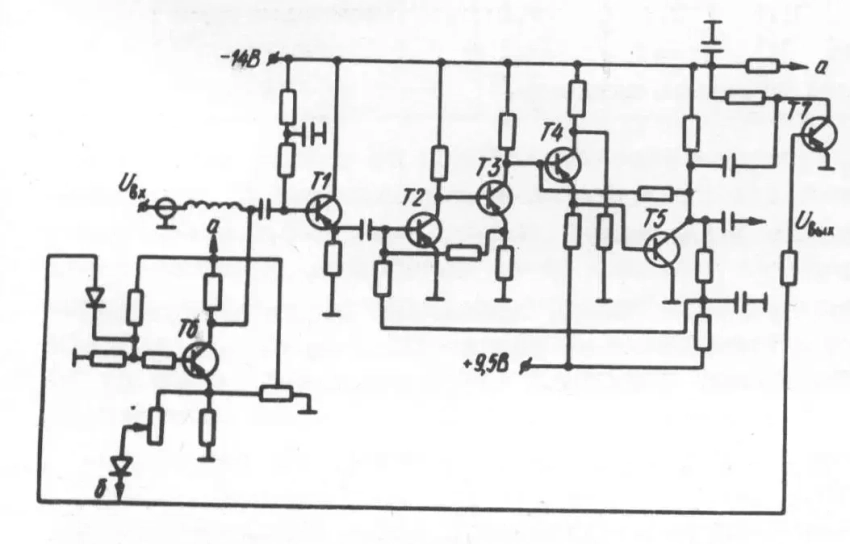
Ниже приложена принципиальная электрическая схема усилительной части детектора. Описание её просто приведём в виде цитаты.
На транзисторах Т1-Т5 собран низкочастотный усилитель с полосой пропускания 30 кГц и коэффициентом усиления 250. Усилитель охвачен двумя цепями отрицательной обратной связи. Транзистор Т6 входит в схему регулятора порога срабатывания прибора (путём задания начального смещения на фотодиоде). Питание этого регулятора осуществляется импульсным напряжением, задающим импульсный режим работы усилителя.
Выходные сигналы усилителя, поступающие на сигнализаторы, снимаются с коллекторной нагрузки транзистора Т6. Транзистор Т7 обеспечивает триггерный режим работы усилителя.
Выходные сигналы усилителя, поступающие на сигнализаторы, снимаются с коллекторной нагрузки транзистора Т6. Транзистор Т7 обеспечивает триггерный режим работы усилителя.
По сути, этот детектор выступал в роли простейшего устройства, которое даёт возможность обнаружить инфракрасное излучение в одном из трёх секторов — в зависимости от того, какой из фотоприёмников подаёт соответствующий сигнал.
Спектральный диапазон излучения, воспринимаемого детектором, — от 0,9 до 1,1 микрометров. Чувствительность его при длине волны 0,91 микрометра — 1 мВт. При этом детектор определяет излучение от прожекторов, работающих как в импульсном режиме с частотой до 10 килогерц, так и в непрерывном.
Выводы
Разумеется, никакой тотальной автоматизации действий у этого детектора не было. Для работы с ним одному из членов экипажа приходилось отвлекаться от своих прямых обязанностей, что давало дополнительную нагрузку. Да и таких современных «плюшек», как автоматический разворот башни в сторону источника излучения и отстрел аэрозольных гранат, он не имел.
Однако испытания RI-1 в СССР показали, что он может определять инфракрасное излучение от танковых прожекторов на расстоянии до 2 километров. Так что какое-никакое, но преимущество это изделие в бою давало как минимум в двух ситуациях: попытаться обнаружить противника в секторе, который указал датчик, либо предпринять меры для маскировки или маневрирования.
Короче говоря, этакий древний и примитивный прообраз советской «Шторы». При этом, учитывая, что разработки подобных приборов велись не только в Великобритании, именно этот RI-1 стал, похоже, единственным устройством такого типа, который применили в реальных боевых условиях — в Ирано-Иракской войне.
Источник информации:
«Танковый прибор индикации инфракрасного облучения». Г.А. Гуменюк, В.Н. Дерягин, В.И. Евдокимов. Научно-технический сборник «Вопросы оборонной техники», серия 6, выпуск №5 (111), 1983 год. Рассекречено экспертной комиссией ФГАОУ ВО «СПбПУ» — акт №2 от 23 ноября 2016 года.
- Эдуард Перов
- wikipedia.org
Обсудим?
